登录
/
注册
首页
论坛
其它
首页
科技
业界
安全
程序
广播
Follow
关于
导读
排行榜
资讯
发帖说明
登录
/
注册
账号
自动登录
找回密码
密码
登录
立即注册
搜索
搜索
关闭
CSDN热搜
程序园
精品问答
技术交流
资源下载
本版
帖子
用户
软件
问答
教程
代码
写记录
写博客
小组
VIP申请
VIP网盘
网盘
联系我们
发帖说明
道具
勋章
任务
淘帖
动态
分享
留言板
导读
设置
我的收藏
退出
腾讯QQ
微信登录
社区
›
业界区
›
安全
安全
今日:
86
|
主题:
7595
收藏本版
(
0
)
推荐主题
读商战数据挖掘:你需要了解的数据科学与分析思维03数据挖掘流程
剑指offer-27、字符串的排列
时序数据库 Apache IoTDB 毕业五周年,“对暗号”获取你的蛇年 T 恤!
数据库安全实战:访问控制与行级权限管理
MariaDB 和 GreatSQL 性能差异背后的真相
Keepalived 的高可用配置与使用
Docker Swarm 集群搭建
【Linux】grub命令行引导进入windows系统
安全访问,打造纯净安全的鸿蒙版小红书图库访问体验
荒野猎手出击!启明智显ZX7981PO:专治各种恶劣环境的5G插卡路由器
计算机组成原理—概述
新窗
综合排序
最新主题
热门推荐
精选内容
免费白嫖 Gemini 3 Pro 的 3 种方式,太香了!!
大家好,我是R哥。 最近 Google Gemini 3 Pro 简直杀疯了,过去几年一直没有什么存在感,最近直接从青铜冲上了王者,一把打破了 GPT / Claude 长期垄断的格局。 如果你还没用过 Gemini 3 Pro,或者还停留在过去的思维,那真的就 OUT 了 ...
郦珠雨
昨天 18:16
255
0
1
<鸿蒙游戏开发者服务公开课> 课程合集
简介: 鸿蒙游戏开发者服务提供覆盖游戏全生命周期的开发者服务,本系列课程精心规划了模块化且循序渐进的学习路径,内容全面细致。帮助开发者快速上手,轻松掌握鸿蒙游戏开发及自助运营的全流程,提升游戏研运效率,打造更好的游戏产 ...
磁呃泵
昨天 18:16
623
0
3
Ubuntu Linux 云服务器常见安全漏洞修复方法汇总 Apache/OpenSSH/DNS
1、升级 Apache 至 2.4.64 以上版本 2、升级 OpenSSH 至 9.9 以上版本 ⚠️ 提醒:升级 ssh 服务可能意外导致无法再次连接云服务器,建议先打开 23 端口 telnet 备用通道以防万一 2.1、安装配置 telnet 服务(可选) 2.3 ...
讲怔
昨天 18:16
204
0
3
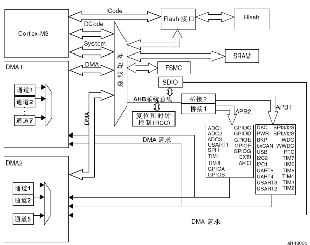
DMA控制器
DMAirect Memory Access,直接存储器访问。作用是在不经过CPU核心的情况下,把数据直接在外设 内存 或 内存 内存 之间搬运。可以减轻CPU的负担(CPU不用亲自搬数据),提高效率,尤其是大块数据传输(比如ADC连续采样、UART收发大数 ...
吮槌圯
昨天 18:16
701
0
4
p5.js 圆(circle)的用法
零幸
昨天 18:16
69
0
4
[HTB] 靶机学习(二)TheFrizz
[HTB] 靶机学习(二)TheFrizz 概要 学习hackthebox的第二天,本人为初学者,将以初学者的角度对靶机渗透进行学习,中途可能会插入一些跟实操关系不大的相关新概念的学习和解释,尽量做到详细,不跳步,所以也会有理解不正确的地方, ...
驳嗦
昨天 18:16
939
0
4
6个值得收藏的医院后台管理系统原型设计案例
引言 随着互联网医疗的快速发展,医院后台管理系统作为医院信息化的重要组成部分,承担着就诊流程、资源配置、数据管理等多项关键任务。一个高效、清晰、易用的后台系统,直接关系到医院的运营效率和服务质量。 本文精选了6个来自墨刀素 ...
幌斛者
昨天 18:16
277
0
4
<HarmonyOS第一课13>给应用添加通知和提醒 #鸿蒙课程##鸿蒙生态#
课程介绍 《HarmonyOS第一课:给应用添加通知和提醒》将引导开发者如何在HarmonyOS应用中实现通知功能。课程首先介绍如何为您的应用添加基础类型通知,包括普通文本、多行文本和图片类型的通知,这些是应用与用户交互的基本方式。接 ...
褥师此
昨天 18:14
606
0
3
Quartz定时任务持久化(服务重启后自动恢复)
New
Quartz 定时任务持久化(重启后自动恢复) 声明: 本文内容由 ChatGPT 协助生成,仅作为个人学习与记录之用。 Quartz 默认使用 RAMJobStore(内存存储),服务重启后任务会丢失。 要让定时任务在重启后仍然有效,必须启用:JDBCJobStore ...
颜清华
昨天 18:13
697
0
2
美团面试:LLM大模型存在哪些问题?RAG 优化有哪些方法?
本文 的 原文 地址 本文 的 原文 地址 尼恩:LLM大模型学习圣经PDF的起源 在40岁老架构师 尼恩的读者交流群(50+)中,经常性的指导小伙伴们改造简历。 经过尼恩的改造之后,很多小伙伴拿到了一线互联网企业如得物、阿里、滴 ...
荪俗
昨天 18:13
747
0
5
学信息系统项目管理师第4版系列19_质量管理
1. 公差 1.1. 质量测量中公差是测量指标的可允许变动范围,而不是实际测量值与预期值的差 1.1.1. 【高22下选35】 1.2. 结果的的可接受范围 2. 控制界限 2.1. 统计意义上稳定的过程或过程绩效的普通偏差的边界 3. 3版 3.1. ...
闻人莹华
昨天 18:11
490
0
3
读书笔记 XILINX ug1085-Zynq UltraScale+ Device
New
目录 [*]前言 [*]Chapter 4: Real-time Processing Unit 实时处理单元 [*]4.1 Introduction 介绍 [*]4.2 Real-time Processing Unit Features RPU的特性 [*]4.3 Cortex-R5F Processor Functional Description R5F处理器功能性介绍 [*] ...
马璞玉
昨天 18:11
737
0
1
学系统集成项目管理工程师(中项)系列11a_沟通管理(上)
1. 基本概念 1.1. 构成 1.1.1. 接收者和发送者 1.1.1.1. 参与者既发送信息,又接收反馈,是一体的 1.1.2. 信息(Message) 1.1.2.1. 多个参与者之间需要分享的信息,表达思想和情感的组成物 1.1.2.2. 信息的存在方式被定义 ...
彭水晶
昨天 18:11
558
0
2
java~字节流和字符流
如果要进行文件内容的操作那么必须依靠数据流完成,而数据流分为两种: [*]字节流:InputStream(字节输入流)、OutputStream(字节输出流) [*]字符流:Reader(字符输入流)、Writer(字符输出流) 输入和输出是针对内存来说的: [*] ...
空娅芬
昨天 18:11
682
0
2
WGBS+RNA-seq揭示AtSAMS通过DNA甲基化和乙烯信号通路协同
大家好,这里是专注表观组学十余年,领跑多组学科研服务的易基因。 花器官是植物繁殖的关键结构,其发育受到严格的遗传调控。ABC模型是解释花器官发育的经典理论,其中A、B、C、E功能基因分别调控萼片、花瓣、雄蕊和雌蕊的形成。然而,这 ...
钿稳铆
昨天 18:11
832
0
5
Ubuntu 安装 Docker 的方法(基于24.04 LTS)
Ubuntu 安装 Docker 的方法(基于24.04 LTS) 安装Docker [*]卸载旧版本(可选) [*]更新 apt 并安装依赖 [*]添加 Docker 的 GPG 密钥 [*]设置 Docker 仓库(以 Ubuntu 为例) [*]更新 apt 并安装 Docker [*]验证 Docker 是否安装 ...
劳暄美
昨天 18:09
710
0
4
0.LED基础控制
典中典之发光二极管,我从小学到大 长脚是正级,断脚是负极 里面大块的是负级,小块的是正极 电阻标注: [*]若标注102 -> 代表着为1K电阻(10^2) [*]若标注473 -> 代表着为47K电阻(47 * 10^3) 以此类推 其他器件标注也为类似模式 RP ...
汲佩杉
昨天 18:09
955
0
4
STM32F103 SPI详解及示例代码
1 SPI协议详解 SPI是串行外设接口(Serial Peripheral Interface)的缩写,是美国摩托罗拉公司(Motorola)最先推出的一种同步串行传输规范,也是一种单片机外设芯片串行扩展接口,是一种高速、全双工、同步通信总线,所以可以在同一时 ...
嶝扁
昨天 18:09
187
0
2
10秒开发一个基于字的3-gram的拼音输入法:魔改sunpinyin
apt source libsunpinyin3v5 下载到当前目录下。 src/sunpinyin-dictgen是个有shebang的Makefile: 光腚make为了求变量DICT_AR的值也要联网,虽然比Android Studio快得多,我还是不喜欢。 此版本下载dict.utf8就够了。 写个小烂Python程序 ...
琦谓
昨天 18:07
296
0
5
Python环境教程(一)-环境入门之pip conda
环境入门之pip conda Pip 设置清华源 Anaconda Anaconda 是一个数据科学和机器学习的软件套装,它包含了许多工具和库,让您能够更轻松地进行编程、分析数据和构建机器学习模型。 Anaconda 包及其依赖项和环境的管理工具为 conda 命令 ...
鄂缮输
昨天 18:05
419
0
6
下一页 »
1 ...
7
8
9
10
11
12
13
14
15
... 380
/ 380 页
下一页
返 回
快速发帖
还可输入
80
个字符
高级模式
B
Color
Image
Link
Quote
Code
Smilies
您需要登录后才可以发帖
登录
|
立即注册
本版积分规则
发表帖子
转播给听众
发帖
安全
收藏
7595
本版主题
0
收藏人数
板块介绍填写区域,请于后台编辑
财富榜{圆}
anyue1937
9994893
kk14977
6845357
3934307807
991123
4
xiangqian
638210
5
韶又彤
9998
6
宋子
9983
7
闰咄阅
9993
8
刎唇
9993
9
俞瑛瑶
9998
10
蓬森莉
9951
查看更多
社区公告
本月热榜
841
windows常见命令
751
京城亚南酒业上门回收白酒老酒名酒茅台五粮
650
电视盒子 E900V22C Armbian Linux 安装与卸
713
ITR经典案例 | 燕千云携手汽车电子巨头,升
971
NeurIPS 2025 | 浙大、浙工大等团队提出LRM
36
读智能新物种02合作伙伴(下)
571
推荐一种手动设置异步线程等待机制的解决方
877
一个表示金额的数字是 100000000L,这是多
612
DNA甲基化调控生物标志物及发病机制
172
副业营销(Side-Project Marketing
480
2025年科研党必备!学术深度AI论文写作工具
1000
剑指offer-41、和为S的连续正数序列
437
SpringCloud 常见面试题(三)
312
STM32按键扫描
236
BCD损坏(0xc000000f), 0xc0000255, 0xc00
750
Debian 12/13可用的华宇拼音输入法
486
Go语言实现GoF设计模式:适配器模式
455
剑指offer-39、平衡⼆叉树
689
Springboo下的MQTT多broker实现
899
揭示产前重金属暴露通过改变表观遗传修饰调